Une installation frigorifique qui ne régule pas est une installation qui tend a mourir.
Les types de régulation
Régulation par pom down
Régulation par protection minimum
Constitution
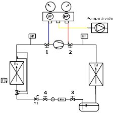
Pour un tirage au vide on utilise un pressostat. Une vem , un contacteur auxiliaire pour le pomp down unique

- Pointeaux pressostat bp
Pointeaux pressostat hpVanne manuelVanne manuel
Prince de Fonctionnement du tirage Au vide unique
Lorsqu’on a besoin de produire du froid, le thermostat de régulation B1 ferme son contact et existe la bobine du contacteur auxiliaire KA1 qui a son tour met en marche le compresseur et existe la bobine de la vanne électromagnétique Y1 grâce a la fermeture de son contact KA1 (13,14) et KA1(23,24)
Y1 étant excité, il soulève sont pointeau et laisse passer le ff vers l’évaporateur il ta production du froid .
NB: si en période d’arrêt et le pointeau de la vem détérioré,le ff migre vers l’évaporateur le compresseur ne pourra pas démarré puisqu’il va falloir que le ka soie existé
Dans le prochain article se serait la régulation par protection minimum
Abonné vous ne ratez aucune nouvelleLorsqu’on a besoin de produire du froid, le thermostat de régulation B1 ferme son contact et existe la bobine du contacteur auxiliaire KA1 qui a son tour met en marche le compresseur et existe la bobine de la vanne électromagnétique Y1 grâce a la fermeture de son contact KA1 (13,14) et KA1(23,24)
Y1 étant excité, il soulève sont pointeau et laisse passer le ff vers l’évaporateur il ta production du froid .
NB: si en période d’arrêt et le pointeau de la vem détérioré,le ff migre vers l’évaporateur le compresseur ne pourra pas démarré puisqu’il va falloir que le ka soie existé
Dans le prochain article se serait la régulation par protection minimum
