Regardez « la bagarre au quartier » sur YouTube
Regardez « lire les messages supprimer wattsapp, download statuts. » sur YouTube

Regardez « 5 personnes incroyable et performant 🖐️ » sur YouTube
Regardez « le chaud en milieu scolaire » sur YouTube
Régulation par protection minimum
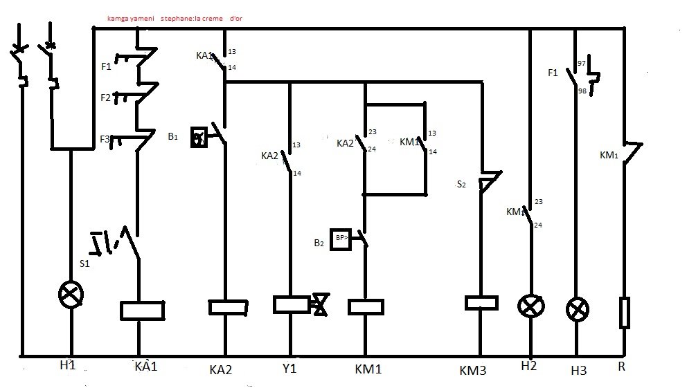
schema electrique de commande d’une installation reguler par tirage au vide autommatique et degivre par inversion de cycle

degivrage par inversion de cycle
La vanne d’inversion de cycle permet donc de changer le sens de fonctionnement ou plus exactement d’inverser l’écoulement du fluide afin d’obtenir l’effet souhaité. La vanne 4 voies est constituée d’une vanne principale (1) et d’une vanne pilote (2) montée sur le corps de la vanne principale.
Réfrigération
La réfrigération : c’est un mode production du froid donc la température vari de 30à 15ºc
Surgélation
- Le froid c7 l’absence de la chaleur. La notion de thermodynamique d’un ff nous servira a maîtriser le rapport d’un ff dans une installation frigorif

- froid commercial
- construction des chambres froides a température positive
- Préoccupations de nos tdenrée alimentaire et la conservation a long terme et sur température contrôlée
Génie thermique : améliorer vos appareils électriques de commande,de régulation,de protection des installations frigorifiques.










