- Le froid c7 l’absence de la chaleur. La notion de thermodynamique d’un ff nous servira a maîtriser le rapport d’un ff dans une installation frigorif

- froid commercial
- construction des chambres froides a température positive
- Préoccupations de nos tdenrée alimentaire et la conservation a long terme et sur température contrôlée
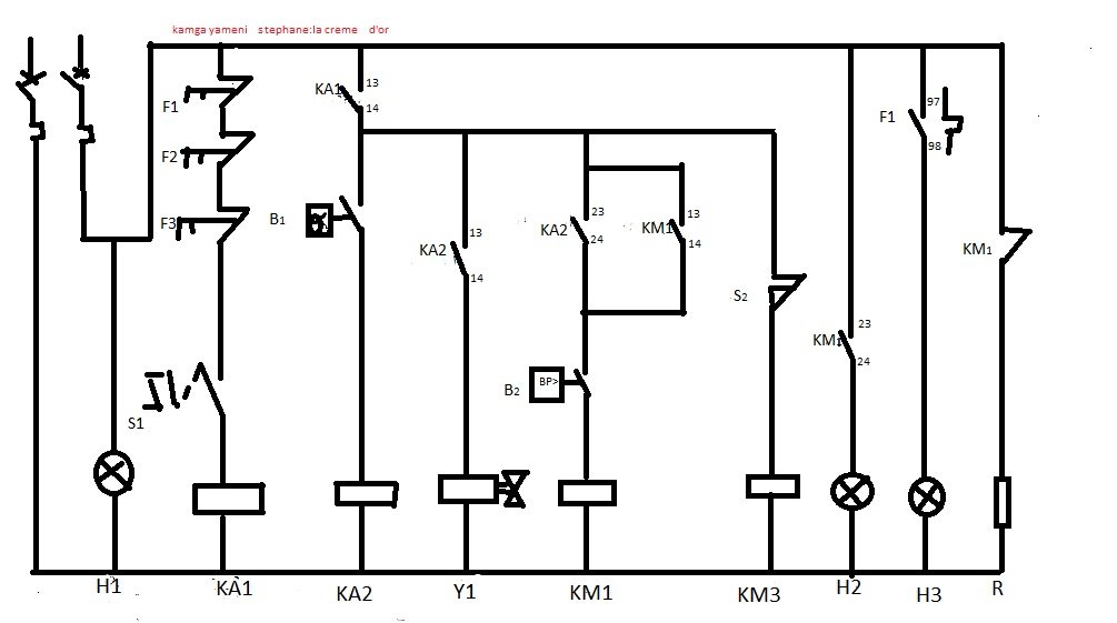
Génie thermique : améliorer vos appareils électriques de commande,de régulation,de protection des installations frigorifiques.
Les mode de régulation : nous avons la régulation par tirage au vide automatique,
Régulation par tirage au vide uniqueRégulation par thermostat d’ambianceRégulation par pressostat bp. tirage au videPlan de construction s froides B1 respecter

-
Plan de la chambre froides












Circuits fluidique.

Cc
J’aimeAimé par 1 personne